颚式破碎机规格型号及技术参数详细说明

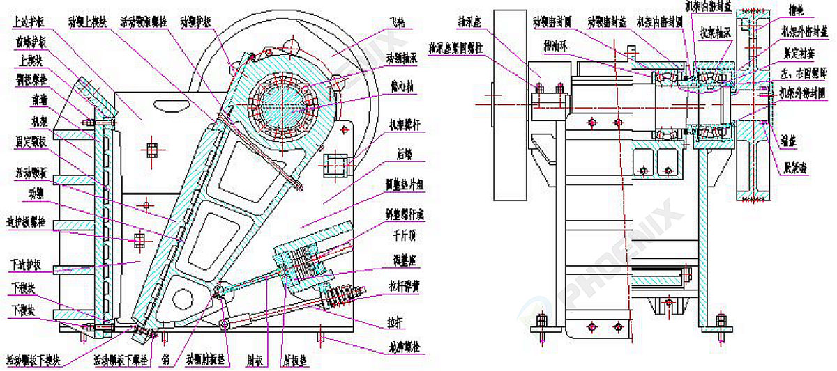
图一:颚式破碎机结构图
颚式破碎机的结构如图一所示,颚式破碎机工作原理:当颚破设备工作时,飞轮8带动偏心轴6转动,由于偏心轴的偏心作用,悬挂在它上边的动颚7在肘板4的制约下,相对于固定颚板往复地做一种复合摆动运动。当活动颚板3靠近固定颚板2时,物料被挤压破碎。在破碎过程中,当动颚被摆动至前方时,拉杆10末端的弹簧9即受压缩,由于弹簧企图恢复原状,因此可以帮助动颚后退至原来位置。水平拉杆的作用还在于阻止当可动颚板作返回运动时肘板4不致脱落。
以上是颚破基本工作原理,那么颚破的型号有很多,先来介绍一下PE600*900颚式破碎机的一些基本资料:

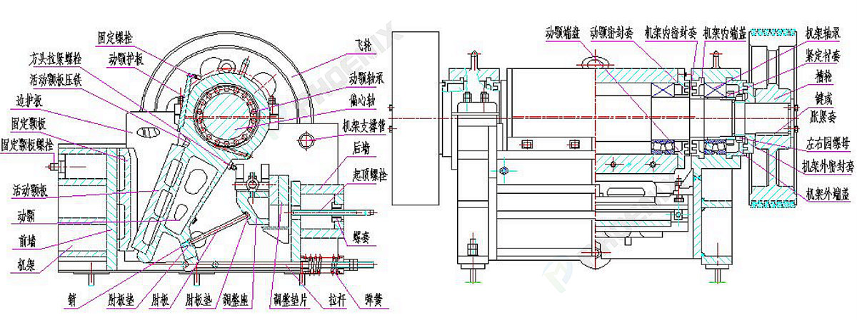
图二:PE600*900颚式破碎机结构图

图三:PE750*1060颚式破碎机结构图

图四:PEX颚式破碎机结构图
1、PE600*900以下颚式破碎机
|
机器型号 |
|
PE-150*250H |
|
PE-150*250Z |
|
PE-250*400 |
|
PE-250*400Z |
|
PE-250*500H |
|
PE-400*600 |
|
PE-400*600Z |
|
PE-500*750 |
|
PE-600*900 |
2、PE750*1060以上颚式破碎机
|
机器型号 |
|
PE-750*1060 |
|
PE-800*1060 |
|
PE-870*1060 |
|
PE-900*1200 |
|
PE-1000*1200 |
|
PE-1200*1500 |
|
PE-1500*1800 |
3、PEX系列颚式破碎机
|
机器型号 |
|
PEX-150*750H |
|
PEX-150*750Z |
|
PEX-250*750 Z |
|
PEX-250 *750H |
|
PEX-250*1000 |
|
PEX-250*1200 |
|
PEX-300*1300 |
| PE系列鄂破(PE690以下) | ||
| 机器型号 | 最小排料口 | 水平位移 (mm) |
| PE-150*250 | 10 | 10 |
| PE-250*400 | 20 | 15.5 |
| PE-250*500H | 20 | 15.5 |
| PE-400*600 | 40 | 23 |
| PE-500*750 | 50 | 28 |
| PE-600*900Ⅵ | 65 | 32.5 |
| PE系列鄂破(PE750以上) | ||
| 机器型号 | 最小排料口 | 水平位移 (mm) |
| PE-750*1060 | 80 | 39 |
| PE-800*1060 | 100 | 41.5 |
| PE-870*1060 | 200 | 45 |
| PE-900*1200 | 100 | 46 |
| PE-1000*1200 | 195 | 50 |
| PE-1200*1500 | 150 | 58.6 |
| PE-1500*1800 | 220 | 71 |
| PEX系列鄂破 | ||
| 机器型号 | 最小排料口 | 水平位移 (mm) |
| PEX-150*750 | 18 | 10 |
| PEX-250*750 | 25 | 15.5 |
| PEX-250*1000 | 25 | 15.5 |
| PEX-250*1200 | 25 | 15.5 |
| PEX-300*1300 | 20 | 18 |

2、PEX系列颚式破碎机技术参数:

PE系列颚破排料口与生产能力及排料粒度对应参考表
| PE-150×250 | |||
| 排料口宽度b(mm) | 生产能力Q(t/h) | 最大粒度dmax(mm) | 粒度比K(d/b) |
| 10 | 0.69 | 24 | 2.40 |
| 20 | 2.1 | 31 | 1.55 |
| 30 | 3.5 | 38 | 1.27 |
| 40 | 4.9 | 57 | 1.43 |
| PE-250×400 | |||
| 排料口宽度b(mm) | 生产能力Q(t/h) | 最大粒度dmax(mm) | 粒度比K(d/b) |
| 20 | 4.2 | 34 | 1.70 |
| 30 | 7.6 | 41 | 1.37 |
| 40 | 11 | 47 | 1.18 |
| 50 | 14.5 | 54 | 1.08 |
| 60 | 18 | 61 | 1.02 |
| 70 | 21 | 97 | 1.39 |
| 80 | 25 | 107 | 1.34 |
| PE-400×600 | |||
| 排料口宽度b(mm) | 生产能力Q(t/h) | 最大粒度dmax(mm) | 粒度比K(d/b) |
| 40 | 18 | 59 | 1.48 |
| 50 | 24.3 | 67 | 1.34 |
| 60 | 31 | 75 | 1.25 |
| 70 | 37 | 82 | 1.17 |
| 80 | 43.2 | 113 | 1.41 |
| 90 | 50 | 123 | 1.37 |
| 100 | 64 | 132 | 1.32 |
| PE-500×750 | |||
| 排料口宽度b(mm) | 生产能力Q(t/h) | 最大粒度dmax(mm) | 粒度比K(d/b) |
| 50 | 38.3 | 75 | 1.50 |
| 60 | 49 | 81 | 1.35 |
| 70 | 60 | 88 | 1.26 |
| 80 | 70 | 94 | 1.18 |
| 90 | 81 | 101 | 1.12 |
| 100 | 100 | 107 | 1.07 |
| PE-600×900 | |||
| 排料口宽度b(mm) | 生产能力Q(t/h) | 最大粒度dmax(mm) | 粒度比K(d/b) |
| 65 | 60.5 | 87 | 1.34 |
| 85 | 85.3 | 100 | 1.18 |
| 105 | 110 | 113 | 1.08 |
| 135 | 147.4 | 190 | 1.41 |
| 160 | 178 | 215 | 1.34 |
| PE-750×1060 | |||
| 排料口宽度b(mm) | 生产能力Q(t/h) | 最大粒度dmax(mm) | 粒度比K(d/b) |
| 80 | 101.5 | 120 | 1.50 |
| 90 | 118 | 126 | 1.40 |
| 100 | 135 | 133 | 1.33 |
| 110 | 152 | 139 | 1.26 |
| 120 | 169 | 146 | 1.22 |
| 130 | 185.5 | 152 | 1.17 |
| 140 | 202 | 159 | 1.14 |
| PE-800×1060 | |||
| 排料口宽度b(mm) | 生产能力Q(t/h) | 最大粒度dmax(mm) | 粒度比K(d/b) |
| 100 | 140 | 133 | 1.33 |
| 110 | 158 | 139 | 1.26 |
| 120 | 176 | 146 | 1.22 |
| 140 | 212 | 159 | 1.14 |
| 150 | 229 | 166 | 1.11 |
| 160 | 247 | 172 | 1.08 |
| PE-870×1060 | |||
| 排料口宽度b(mm) | 生产能力Q(t/h) | 最大粒度dmax(mm) | 粒度比K(d/b) |
| 200 | 339 | 285 | 1.43 |
| 210 | 358 | 294 | 1.4 |
| 220 | 377 | 304 | 1.38 |
| 230 | 396 | 314 | 1.37 |
| 240 | 415 | 324 | 1.35 |
| 250 | 434 | 333 | 1.33 |
| 260 | 453 | 343 | 1.32 |
| PE-900×1200 | |||
| 排料口宽度b(mm) | 生产能力Q(t/h) | 最大粒度dmax(mm) | 粒度比K(d/b) |
| 100 | 156.7 | 137 | 1.37 |
| 120 | 197.4 | 152 | 1.27 |
| 140 | 238 | 167 | 1.19 |
| 160 | 278.7 | 228 | 1.43 |
| 180 | 319.4 | 248 | 1.38 |
| 200 | 360 | 267 | 1.34 |
| PE-1000×1200 | |||
| 排料口宽度b(mm) | 生产能力Q(t/h) | 最大粒度dmax(mm) | 粒度比K(d/b) |
| 195 | 378 | 262 | 1.34 |
| 200 | 389 | 267 | 1.34 |
| 205 | 400 | 272 | 1.33 |
| 210 | 411 | 277 | 1.32 |
| 215 | 422 | 282 | 1.31 |
| 220 | 433 | 287 | 1.30 |
| 225 | 445 | 292 | 1.30 |
| 230 | 456 | 296 | 1.29 |
| 235 | 467 | 301 | 1.28 |
| 240 | 478 | 306 | 1.28 |
| 245 | 489 | 311 | 1.27 |
| 250 | 500 | 316 | 1.26 |
| 255 | 511 | 321 | 1.26 |
| 260 | 523 | 326 | 1.25 |
| 265 | 533 | 331 | 1.25 |
| PE-1200×1500 | |||
| 排料口宽度b(mm) | 生产能力Q(t/h) | 最大粒度dmax(mm) | 粒度比K(d/b) |
| 150 | 302 | 205 | 1.37 |
| 160 | 327 | 213 | 1.33 |
| 170 | 352 | 220 | 1.29 |
| 180 | 377 | 228 | 1.27 |
| 190 | 402 | 236 | 1.24 |
| 200 | 427 | 243 | 1.22 |
| 210 | 452 | 251 | 1.2 |
| 220 | 477 | 258 | 1.17 |
| 230 | 502 | 333 | 1.45 |
| 240 | 527 | 342 | 1.43 |
| 250 | 552 | 352 | 1.41 |
| 270 | 603 | 371 | 1.37 |
| 280 | 628 | 381 | 1.36 |
| 300 | 678 | 400 | 1.33 |
| 320 | 728. | 420 | 1.31 |
| 350 | 803 | 449 | 1.28 |
| PE-1500×1800 | |||
| 排料口宽度b(mm) | 生产能力Q(t/h) | 最大粒度dmax(mm) | 粒度比K(d/b) |
| 220 | 688 | 260 | 1.18 |
| 225 | 706 | 330 | 1.47 |
| 230 | 725 | 335 | 1.46 |
| 235 | 743 | 339 | 1.44 |
| 240 | 762 | 344 | 1.43 |
| 245 | 781 | 349 | 1.42 |
| 250 | 800 | 354 | 1.42 |
| 260 | 836 | 363 | 1.4 |
| 270 | 874 | 373 | 1.38 |
| 280 | 911 | 383 | 1.37 |
| 290 | 948 | 392 | 1.35 |
| 300 | 986 | 402 | 1.34 |
| 310 | 1023 | 412 | 1.33 |
| 320 | 1060 | 421 | 1.32 |
| 330 | 1097 | 431 | 1.31 |
| 340 | 1135 | 441 | 1.30 |
| 350 | 1172 | 451 | 1.29 |

图五:PE颚式破碎机
| PEX-250×750 | |||
| 排料口宽度b(mm) | 生产能力Q(t/h) | 最大粒度dmax(mm) | 粒度比K(d/b) |
| 25 | 12.8 | 50.7 | 2.03 |
| 35 | 19.2 | 57.2 | 1.63 |
| 45 | 25.6 | 64.1 | 1.42 |
| 60 | 35.2 | 74.8 | 1.25 |
| PEX-250×1000 | |||
| 排料口宽度b(mm) | 生产能力Q(t/h) | 最大粒度dmax(mm) | 粒度比K(d/b) |
| 25 | 16 | 51.2 | 2.05 |
| 35 | 26.1 | 57.7 | 1.65 |
| 45 | 36.1 | 64.5 | 1.43 |
| 60 | 51.2 | 75.2 | 1.25 |
| PEX-250×1200 | |||
| 排料口宽度b(mm) | 生产能力Q(t/h) | 最大粒度dmax(mm) | 粒度比K(d/b) |
| 25 | 20 | 51.2 | 2.05 |
| 35 | 31.4 | 57.7 | 1.65 |
| 45 | 42.8 | 64.5 | 1.43 |
| 60 | 60 | 75.2 | 1.25 |
| PEX-300×1300 | |||
| 排料口宽度b(mm) | 生产能力Q(t/h) | 最大粒度dmax(mm) | 粒度比K(d/b) |
| 20 | 20 | 48.2 | 2.41 |
| 40 | 36.7 | 61.1 | 1.53 |
| 60 | 53.4 | 75.2 | 1.25 |
| 80 | 70.1 | 89.9 | 1.12 |
| 104 | 90 | 108.0 | 1.04 |

图六:PEX颚式破碎机
PE型号颚破皮带型号参数表
|
机器型号 |
皮带型号 |
尺寸/数量 |
|
PE-150*250 |
B |
3150/5根 |
|
PE-250*400 |
C |
4572/5根 |
|
PE-400*600 |
C |
5000/8根 |
|
PE-500*750 |
D |
5600/7根 |
|
PE-600*900 |
D |
7100/5根 |
|
PE-750*1060 |
SPC |
9000/8根 |
|
PE-800*1060 |
SPC |
9000/8根 |
|
PE-870*1060 |
SPC |
9000/8根 |
|
PE-900*1200 |
SPC |
9500/10根 |
|
PE-1000*1200 |
SPC |
9500/10根 |
|
PE-1200*1500 |
25J |
LD-10800联组带/三联组2根二联组1根 |
|
PE-1500*1800 |
25J |
LD-12700联组带/三联组4根 |
PEX型号颚破皮带型号表
|
机器型号 |
皮带型号 |
尺寸/数量 |
|
PEX-150*750 |
C |
4500/5根 |
|
PEX-250*750 |
D |
4000/4根 |
|
PEX-250*1000 |
D |
4500/5根 |
|
PEX-250*1200 |
D |
5000/5根 |
|
PEX-300*1300 |
E |
5600/5根 |
1、PE系列颚破轴承技术参数表(690以下)
| 机器型号 | 动颚轴承 | 数量 | 机架轴承 | 数量 |
| PE-150*250H | 22218 | 2 | 22213 | 2 |
| PE-150*250 | 22218 | 2 | 22213 | 2 |
| PE-250*400 | 22328 | 2 | 22328 | 2 |
| PE-250*400Z | 22328 | 2 | 22328 | 2 |
| PE-250*500H | 22330/W33 | 2 | 22330/W33 | 2 |
| PE-400*600 | 22338CA | 2 | 22338CA | 2 |
| PE-400*600Z | 22338CA | 2 | 22338CA | 2 |
| PE-500*750 | 23148CA/W33 | 2 | 23148CA/W33 | 2 |
| PE-600*900 | 23148CA/W33 | 2 | 23148CAK/W33 | 2 |
2、PE系列颚破轴承技术参数表(750以上)
| 机器型号 | 动颚轴承 | 数量 | 机架轴承 | 数量 |
| PE-750*1060 | 23176CA/W33 | 2 | 23176CAK/W33 | 2 |
| PE-800*1060 | 23176CA/W33 | 2 | 23176CAK/W33 | 2 |
| PE-870*1060 | 23176CA/W33 | 2 | 23176CAK/W33 | 2 |
| PE-900*1200 | 23180CA/W33 | 2 | 23180CA/W33 | 2 |
| PE-1000*1200 | 23180CA/W33 | 2 | 23180CA/W33 | 2 |
| PE-1200*1500 | 231/500CA/W33 | 2 | 231/500CAK/W33 | 2 |
| PE-1500*1800 | 241/560EC/W33 | 2 | 241/560ECK/W33 | 2 |
| 机器型号 | 动颚轴承 | 数量 | 机架轴承 | 数量 |
| PEX-150*750H | 23136 | 2 | 23136 | 2 |
| PEX-150*750Z | 23136 | 2 | 23136 | 2 |
| PEX-250*750 Z | 22238CA | 2 | 22238CA | 2 |
| PEX-250 *750H | 22238CA | 2 | 22238CA | 2 |
| PEX-250*1000 | 22238CA | 2 | 22238CA | 2 |
| PEX-250*1200 | 22240CA/W33 | 2 | 22240CAK/W33 | 2 |
| PEX-300*1300 | 22344CA/W33 | 2 | 22344CAK/W33+AH2344 | 2 |
以上就是完整的整套PE系列、PEX系列颚式破碎机的工作原理、结构图、规格型号技术参数,包括颚破排料口生产能力及排料口粒度对应技术参数、各种型号颚破的皮带规格型号、颚破动颚轴承规格型号、数量等技术资料,希望对用户有所帮助。有很多客户会问一台颚破多少钱?每个厂家的报价要按照当时原材料的价格核算,颚式破碎机价格一直在起伏变化的,因此可以咨询本司销售人员获得最新实时价格。友情提醒:如需购买颚破,请从正规厂家购买,以获得无忧的售后保障。
返回首页
圆锥破碎机能保持安全生产应该要怎么保养?
2019-06-24
新型反击式破碎机带来的石料粉碎技术革命
2019-05-10
解析破碎机厂家生产的破碎机的转动系统和机架
2019-06-26
上海破碎机厂家忠告:破碎机价格与质量成正比
2019-05-12
用什么破碎机可以改善石料粒型
2024-10-02
技术篇|多缸圆锥破碎机振动噪声过大及回油温度高怎么回事!
2019-11-16
颚式破碎机颚板磨损的修复方法你知道吗?
2020-11-07
PX高效细碎机断轴事故的两大罪魁祸首
2020-09-12
移动破碎机生产现场模拟动画
2023-02-25
分析鄂式破碎机的破碎腔即工作机构_98-web矿山设
2019-05-12
两台PE750颚式破碎机和喂料机在现场进行紧张安装中
2020-01-12
破碎机械让废物处理更为简单化-98-web集团
2019-05-12
发往内蒙古包头市3台可逆锤式破碎机
2019-05-12
年产100万吨铁矿石生产线设备配置及工艺流程详解
2024-11-04
砂石生产线各种问题及解决措施
2020-08-08
目前铁矿石的选矿工艺及市场前景
2019-07-09
破碎设备的选购技巧
2019-05-10
振动筛常见故障及解决办法
2024-09-15
【建筑垃圾】建筑垃圾变身再生骨料,只差一台移动破碎机!
2019-08-27
【破碎机配件】锤式破碎机轴承抱死是怎么回事?如何解决?看完祝你快速了解
2019-07-31






