反击式破碎机电气控制柜电气原理简述
反击式破碎机需要电气控制柜来操控设备的启动和关闭,并且在维修时也需要控制柜电源的关闭控制,因此,电气控制柜对于破碎设备是非常重要的配套设备,今天应前不久有个客户需要这方面的资料,特分享一下98-web反击式破碎机的电路控制原理图,以便协助对方工作。以下分三部分简述以下反击破电气控制柜的基本知识:
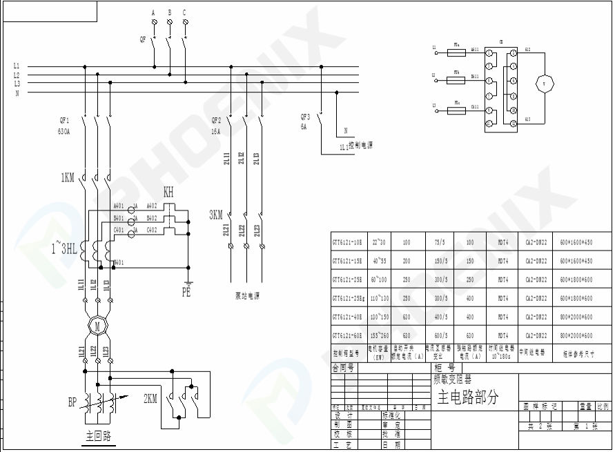
一、主电路部分
一、主电路部分
主电源由自动空气开关QF提供,自动开关QF1提供主电机电源,QF2提供泵站电源,QF3提供控制回路电源,交流接触器1KM、2KM、频敏变阻器BP完成主电机的启、停,3KM控制泵站电源。

图一:反击破主电路图

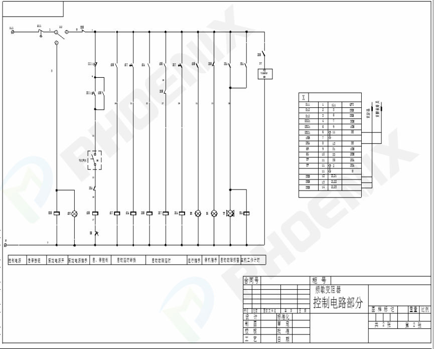
图二:反击式破碎机控制电路图
二、控制柜电气控制原理
1、启动:当主设备在可运行状态下,限位开关XK处于闭合位置,此时合上QF、QF1、QF3,把选择开关S12旋至工作位置,绿色信号灯HG亮,按下启动按钮SB21,1KM得电并自锁,主电机M在转子接入频敏变阻器BP的情况下启动,并缓漫加速,同时时间继电器1KT得电(1KT延时时间整定不能大于90秒),2KT得电(2KT延时时间大于1KT延时时间5~10秒),1KT延时时间到1KA得电、2KM得电,频敏变阻器BP被切除,主电机M启动结束进入正常工作;同时2KM得电断开2KT,2KT结束延时计时,绿色信号灯HG熄灭,红色信号灯HR亮,计时累加器time开始累计主机工作时间。
2、停机:按下停止按钮SS21,1KM失电,1KT、1KA、2KM同时失电,主机M自由停机,紧急停止按钮S11在紧急情况下便于操作。
3、保护:本电路设计得有过载、过流、短路保护,同时有启动异常保护,以免烧毁频敏变阻器,该保护由2KT、2KA完成,既:启动时1KM叩合,1KT、2KT同时得电并开始延时,但1KT延时时间比2KT短(一般可调短5~10秒),如果启动过程中1KT按时动作,但由于某种原因2KM未能吸合,频敏变阻器BP处于超时工作达到2KT延时时间后,2KA得电吸合,其触点2KA(13、15)断开,1KM失电切断电动机主回路,使频敏变阻器BP退出工作状态免于烧毁,同时2KA触点(7、35)接通声光报警器YF工作,说明启动有启动超时故障,应及时处理。

三、检修注意事项
在主电机检修时,必须断开自动空气开关QF1,合上QF2,将选择开关S12旋至揭盖位置,3KM得电,泵站电源接通,即可以进行揭盖检修,揭盖后限位开关XK断开,保证主电机不能启动,检修完毕后,合上盖子,XK闭合,表示设备处于可运行状态。
以上技术资料发布于中国大型破碎机、制砂机生产厂家:上海98-web冶金设备有限公司,转载此文请注明文章来源。
以上技术资料发布于中国大型破碎机、制砂机生产厂家:上海98-web冶金设备有限公司,转载此文请注明文章来源。
返回首页
3YK振动筛出厂前试机
2020-04-07
98-web为您讲述影响破碎机价格的三大因素
2019-05-10
大型矿石破碎机多少钱一台?全面解析与选购指南
2024-11-22
都在说层压破碎,圆锥破层压破碎到底是个啥?如何实现?
2019-08-29
各部门出台各项通知,机制砂行业迎来曙光
2020-05-30
时产千吨级石灰岩骨料生产线的设备选型及工艺流程详解
2019-12-22
采石场、砂石厂粉尘弥漫怎么办?
2019-06-20
砂石破碎设备质量比较好的是哪家?
2019-05-10
反击式破碎机故障诊断解决方案
2025-05-19
砂石开采权达到了50年!江西年产500万吨砂岩采矿权3.97亿元出售!
2019-11-19
如果要开办砂石厂需要哪些投资? 附手续审批、选址、设备配置等流程!
2019-09-26
反击式破碎机作业时如何避免卡石?
2020-10-17
【焦点】建筑垃圾资源化利用新趋势,移动破碎
2019-07-05
【移动破碎筛分设备】移动破碎筛分设备的好多个优点,了解一下!
2019-09-18
各种破碎机工作原理3D动画
2023-02-27
加工铁路道砟石头需用到哪些破碎设备?
2024-09-06
破碎机工作时噪音大怎么办?
2024-09-08
访谈录|中国工程机械从落后到智能化的发展历程和愿景
2019-11-22
解析破碎机厂家生产的破碎机的转动系统和机架
2019-06-26
一条规范的机制砂生产线应该要考虑哪些方面呢?
2020-05-20






